Контакты
Новости
Каталоги
 Войти
Сортировать:
Сначала новые
Сначала старые
Цена ↑
Цена ↓
Кол-во ↑
Кол-во ↓
Имя A→Я
Имя Я→A
Серийник ↑
Серийник ↓
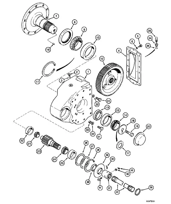
14309631 - болт
635 ₽
14311031 - болт
186 ₽
1431139 - толотница
181 ₽
135296A1 - крышка
2 756 ₽
135295A1 - Подшипник кон. (без наружн. обоймы) вала вх. борт. 2388, 6130/40 до 15г.в.
7 708 ₽
13508221 - шайба стопорная
54 ₽
1-35-295-433 -
18 990 ₽
135293A1 - Сальник выход. вала бортовой 2366/88, 6130/40 до 2015г.в.
10 325 ₽
13507714 - шайба плоская
96 ₽
1349863C1 -
92 593 ₽
135292A1 - Сальник вала вход. бортовой 2366/88, 6130/40 до 2015г.в.
3 148 ₽
AGCO3902902M1
141 ₽
13507701 - шайба
20 ₽
AGCO3604664M1
141 ₽
14326001 - пробка
51 ₽
AGCO3604601M1
141 ₽
13507421 - шайба
46 ₽
1349860C1 -
2 188 ₽
1349244C1 - Карданный
305 668 ₽
14325201 - заглушка
326 ₽
14326004 - пробка
51 ₽
14326101 - заглушка
48 ₽
14326150 - заглушка
46 ₽
143267A1 - гайка
1 277 ₽
«
<
1
...
10
11
12
13
14
...
34117
>
»
Страница:
Перейти